Utlysta exjobb

Välkommen att skriva ditt examensarbete tillsammans med oss på Sweden Water Research. Här publicerar vi utlysta exjobb. Du kan även kontakta David Gustavsson david.gustavsson@vasyd.se för mer information om att skriva examensarbete hos oss eller någon av våra ägare NSVA, Sydvatten och VA SYD.

Ökad produktionskapacitet för tryggare dricksvattenförsörjning

Masteruppsats vårterminen 2026 om regional dricksvattenförsörjning med förbättringar för att vara trygga i kris.

When is nitrogen recovery from human excreta justified?

This thesis project takes a starting point in the challenges related to nitrogen management in society.

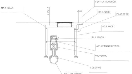
Exjobb på VA SYD och LTH

VA SYD och LTH söker exjobbare för att öka kunskapen kring luft i ledningsnät samt föreslå en metodik för bedömning av huruvida en befintlig avluftningsventil behövs samt eventuella krav på ventilen.